Banner
7070A 742V 制氢可控硅整流柜水冷

7070A 742V 制氢可控硅整流柜水冷

产品详情

介绍

    整流系统的设计是为电解铜和锌工业、烧碱、电解水氢工业等提供直流电源,输出总功率为5246kW(外观视频:https://youtu.be/Jkute55ZYyA )。

    整流器的功率电路主要由工频变压器三相全桥整桥整流器组成。整流器的控制电路主要由触摸屏、控制器、PLC、按钮、电流和电压传感器等组成。操作人员可以使用触摸屏和按钮完成人机交互功能,通过触摸屏完成系统参数设置、操作、数据和状态显示等功能。控制器是控制系统的核心,它控制晶闸管模块的晶闸管的导通,使整流器输出实时跟踪输入给定。



电气参数


项目

电气参数

输入额定电压

583.9-621.9Vac,3

输入最大电流

4*1442Aac

频率

60Hz

输出额定电流

7070ADC

输出额定电压

742VDC

输出范围

0-7070A

0-742V

控制模式

CC/CV

电路拓扑

三相全桥

冷却方式

水冷

防护等级

IP40

运行温度范围

0~40℃

运行湿度范围

< 90%

海拔

< 1000

结构参数


项目

结构数据

安装位置

室内

尺寸(**)

4000x1250x2170mm(带吊环)

重量

2980kg

颜色

RAL 7035

输入位置

整流柜顶部

输出位置

整流柜底部


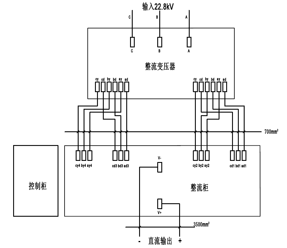
系统连接



产品应用

    本产品是由d88尊龙官方网公司雄厚技术团队设计制造的7070A742V可控硅整流柜。在炼油厂,燃料电池,氨和甲醇生产,金属生产和制造,食品加工以及电子产品中,特别是用于车辆等制氢行业整流电源必不可少。



产品优势


认证证书



询盘
xxxxx

咨询热线
0724-6506313